ПТП 8-6 плиты плоские

Чертеж изделия:
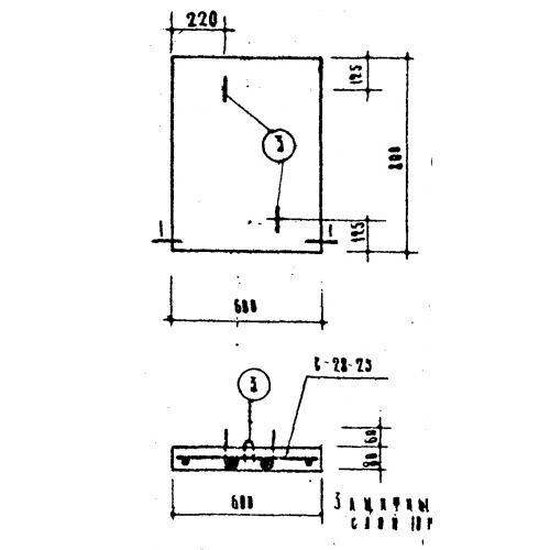
Характеристики изделия:
ПараметрЗначение
длина800 мм
ширина600 мм
высота80 мм
масса96 кг
нормативный документСерия ИИ 03-02

ПТП 8-6 Плиты плоские по Серии ИИ 03-02.