П 33-16

Чертеж изделия:
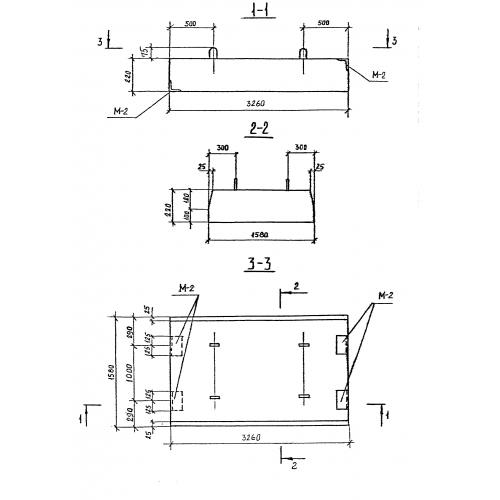
Характеристики изделия:
ПараметрЗначение
длина3260 мм
ширина1580 мм
высота220 мм
масса2830 кг
нормативный документСерия 3.903 КЛ-13

П 33-16  Плиты перекрытия по Серии 3.903 КЛ-13.