БП 200
Характеристики изделия:
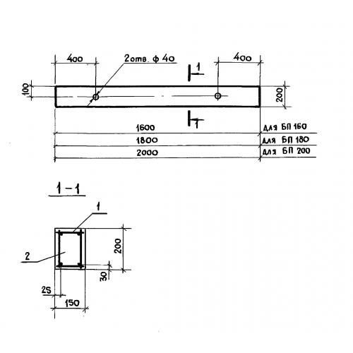
| Параметр | Значение |
|---|---|
| длина | 2000 мм |
| ширина | 150 мм |
| высота | 200 мм |
| вес | 150 кг |
| серия | 3.818.9-2 |
Цена:
Рассчитать стоимостьБП 200 Балки перекрытия каналов по серии 3.818.9-2.
| Параметр | Значение |
|---|---|
| длина | 2000 мм |
| ширина | 150 мм |
| высота | 200 мм |
| вес | 150 кг |
| серия | 3.818.9-2 |
БП 200 Балки перекрытия каналов по серии 3.818.9-2.
