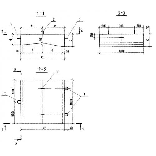
Б 1-20-75 блок

Чертеж изделия:
Характеристики изделия:
ПараметрЗначение
длина1000 мм
ширина750 мм
высота250 мм
вес350 кг
серия3.503.1-66

Б 1-20-75  Прикромочные блоки бетонные по серии 3.503.1-66.