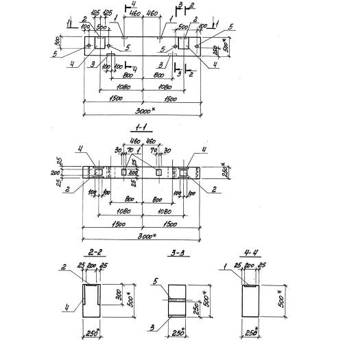
Т

Чертеж изделия:
Характеристики изделия:
ПараметрЗначение
длина3000 мм
ширина250 мм
высота500 мм
вес940 кг
серия3.016.1-17.93

Т Траверсы по серии 3.016.1-17.93.