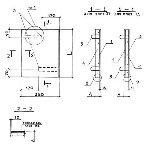
ПД 36.30.6 плиты днища

Чертеж изделия:
Характеристики изделия:
ПараметрЗначение
длина360 мм
ширина280 мм
высота60 мм
масса15 кг
нормативный документСерия 3.006.1-8

ПД 36.30.6  Плиты днища каналов Серия 3.006.1-8.