Л 23/2 лотки
Характеристики изделия:
| Параметр | Значение |
|---|---|
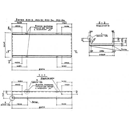
| длина | 2970 мм |
| ширина | 2460 мм |
| высота | 740 мм |
| масса | 3550 кг |
| нормативный документ | Серия 3.006.1-2/87 |
Цена:
Рассчитать стоимостьЛ 23/2 Лотки теплотрасс Серия 3.006.1-2/87.
| Параметр | Значение |
|---|---|
| длина | 2970 мм |
| ширина | 2460 мм |
| высота | 740 мм |
| масса | 3550 кг |
| нормативный документ | Серия 3.006.1-2/87 |
Л 23/2 Лотки теплотрасс Серия 3.006.1-2/87.
