П 15

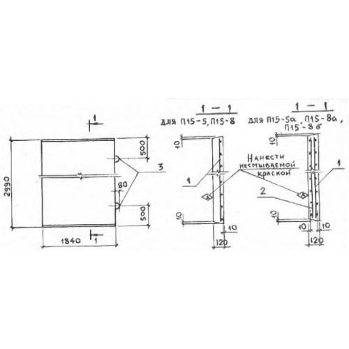
Чертеж изделия:
Характеристики изделия:
ПараметрЗначение
длина2990 мм
ширина1840 мм
высота120 мм
масса1650 кг
нормативный документСерия 3.006.1-2/82

П 15  Плиты перекрытия лотков Серия 3.006.1-2/82.