ОП 2.5-4

Чертеж изделия:
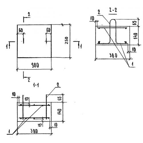
Характеристики изделия:
ПараметрЗначение
длина380 мм
ширина250 мм
высота140 мм
масса33 кг
нормативный документСерия 1.869.1-1

ОП 2.5-4  Железобетоные опорные подушки Серия 1.869.1-1.