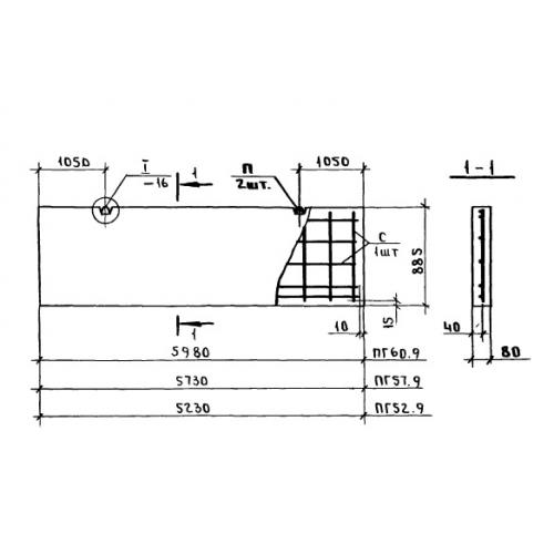
ПГ 57.9

Чертеж изделия:
Характеристики изделия:
ПараметрЗначение
длина5730 мм
ширина80 мм
высота885 мм
вес700 кг
серия1.831.9-3

ПГ 57.9 Панели перегородок по серии 1.831.9-3.