УБ 24.80

Чертеж изделия:
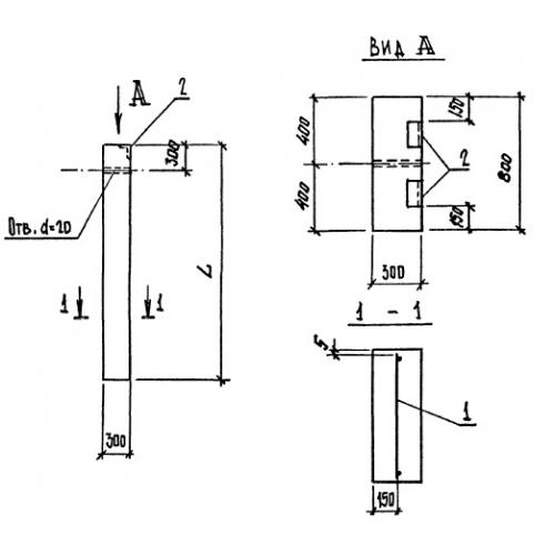
Характеристики изделия:
ПараметрЗначение
длина2385 мм
ширина300 мм
высота800 мм
вес1430 кг
серия1.432.1-20

УБ 24.80 Блоки угловые по серии 1.432.1-20.