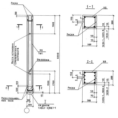
К 54 колонны

Чертеж изделия:
Характеристики изделия:
ПараметрЗначение
длина6200 мм
ширина300 мм
высота300 мм
масса1400 мм
нормативный документСерия 1.423-3

К 54  Колонны Серия 1.423-3.