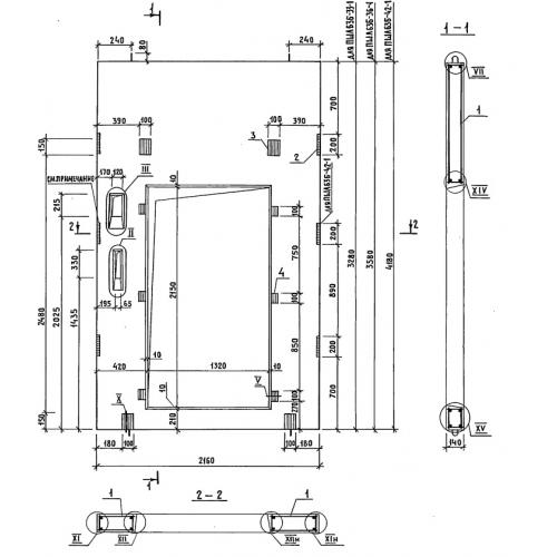
ПШЛ 63-36

Чертеж изделия:
Характеристики изделия:
ПараметрЗначение
длина2160 мм
ширина140 мм
высота3580 мм
вес1650 кг
серия1.289.1-2

ПШЛ 63-36 Панели шахт лифтов по серии 1.289.1-2.