4ПСД 30.33.4,0-П-ПВ

Чертеж изделия:
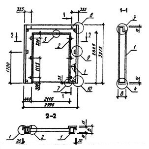
Характеристики изделия:
ПараметрЗначение
длина2990 мм
ширина400 мм
высота3275 мм
масса1500 кг
нормативный документСерия 1.090.1-3пв

Панели наружных стен однослойные для зданий с высотой этажа 3,3 м (Серия 1.090.1-3пв).

4ПСД 30.33.4,0-1П-ПВ   Панели стеновые с дверным проемом.

4ПСД 30.33.4,0-2П-ПВ 

Марка содержит обозначение основных характеристик панели и состоит из буквенно-цифровых групп.

Цифра в первой группе означает: в панелях с оконными и дверными проемами - отличие в размерах или расположении проема, отличие в типах или расположении вертикальных торцов панели (зеркальность); в панелях без проемов - отличие в типах или расположении вертикальных торцов панели (зеркальность).

Группа букв означает название стеновой панели.

Группа цифр (записаны через точку) обозначает габариты панели (длина, высота, толщина) в дециметрах.

Во второй группе цифр указан тип несущей способности перемычки панели.

П - вид бетона - бетон на пористых заполнителях.

ПВ - изделие предназначено для строительства зданий на просадочных грунтах и на подрабатываемых территориях.