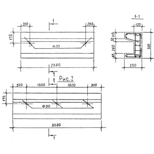
1ПШ 24 перемычки для деформационных швов
Характеристики изделия:
| Параметр | Значение |
|---|---|
| длина | 2380 мм |
| ширина | 250 мм |
| высота | 500 мм |
| масса | 523 кг |
| нормативный документ | Серия 1.038.1-1 |
Цена:
Рассчитать стоимость1ПШ 24 Перемычки для деформационных швов Серия 1.038.1-1.
