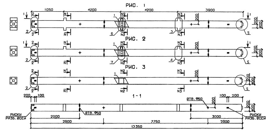
3КН 4.42

Чертеж изделия:
Характеристики изделия:
ПараметрЗначение
длина13350 мм
ширина400 мм
высота400 мм
масса5810 кг
нормативный документСерия 1.020.1-3пв

3КН 4.42  Колонны нижние Серия 1.020.1-3пв.