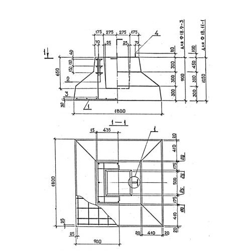
Ф 18.11 фундаменты для колонн

Чертеж изделия:
Характеристики изделия:
ПараметрЗначение
длина1800 мм
ширина1800 мм
высота1050 мм
масса4500 кг
нормативный документСерия 1.020-1/87

Ф 18.11 Фундаменты сборные Серия 1.020-1/87.