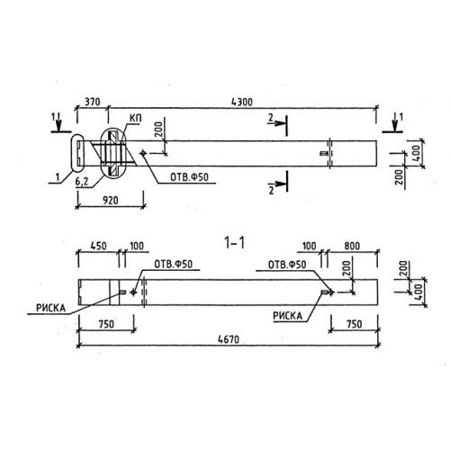
1КБ 36 колонны

Чертеж изделия:
Характеристики изделия:
ПараметрЗначение
длина4670 мм
ширина400 мм
высота400 мм
масса186,7 кг
нормативный документСерия 1.020-1/87

1КБ 36 Колонны бесстыковые Серия 1.020-1/87.