ТМ 3

Чертеж изделия:
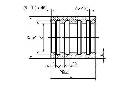
Характеристики изделия:
ПараметрЗначение
длина240 мм
ширина610 мм
высота610 мм
масса29,6 кг
нормативный документГОСТ 31416-2009

ТМ 3   Муфты хризотилцементные для напорных теплопроводов ГОСТ 31416-2009.